BLDC Planetary Gear Moto (Ring Gear Material: Metal)
| 型号 | 范围 |
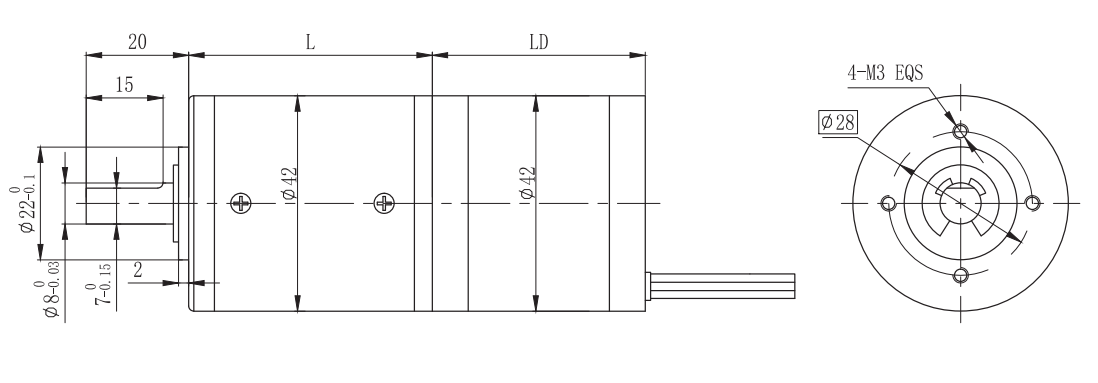
FL42RBL/42JMG50K | Φ42行星减速器,允许转矩范围:0.5N.m~5.0N.m 42mm OD Planetary Gearbox, Permissible Load Range: 0.5N.m~5.0N.m |
| U | V | W | Vcc | Ha | Hb | Hc | GND |
| 红Red | 棕Brown | 黑Black | 蓝Blue | 黄Yellow | 棕Brown | 红Red | 绿Green |
| UL1007 AWG22 | UL1007 AWG26 | ||||||
| 电机型号 | 极 数 | 相 数 | 额定电压 | 空载转速 | 额定转速 | 额定转矩 | 额定功率 | 峰值转矩 | 峰值电流 | 电阻 | 电感 |
| TYPE | Number of poles | Number of phase | Rated voltage | No-load speed | Rated speed | Rated torque | Rated power | Reak torque | Peak current | Line to line resistance | Line to line inductance |
| VDC | r/min | r/min | mN.m | W | mN.m | A | ohms | mH | |||
| FL42RBL30-2455 | 8 | 3 | 24 | 5500 | 4000 | 20 | 8.4 | 60 | 1.7 | 5.9 | 5.1 |
| FL42RBL60-2454 | 8 | 3 | 24 | 5400 | 4200 | 56 | 25 | 170 | 4.4 | 1.6 | 1.94 |
配置FL42RBL30-2455无刷直流电机 (LD=30mm) FL42RBL30-2455 DC Brushless Motor(LD=30mm)
| 减 速 比 Reduction ratio | 3.8 | 4.9 | 15 | 19 | 24 | 56 | 71 | 91 | 116 | 212 | 271 | 346 | 442 | 565 | |
| 减速级数 Number of gear trains | 1 | 1 | 2 | 2 | 2 | 3 | 3 | 3 | 3 | 4 | 4 | 4 | 4 | 4 | |
| 减速器长度(L) Length(L) | mm | 35.2 | 35.2 | 45.7 | 45.7 | 45.7 | 56 | 56 | 56 | 56 | 66.3 | 66.3 | 66.3 | 66.3 | 66.3 |
| 空载转速 No-load speed | r/min | 1440 | 1127 | 367 | 289 | 229 | 98 | 77 | 60 | 47 | 26 | 20 | 16 | 12 | 9.7 |
| 额定转速 Rated speed | r/min | 1047 | 820 | 267 | 211 | 167 | 71 | 56 | 44 | 34 | 19 | 15 | 12 | 9 | 7.1 |
| 额定转矩 Rated torque | N.m | 0.07 | 0.09 | 0.24 | 0.31 | 0.39 | 0.82 | 1 | 1.3 | 1.7 | 2.8 | 3.5 | 4.5 | 5 | 5 |
| 最大瞬间允许负载Max. permissible load in a short time | N.m | 1.5 | 1.5 | 6 | 6 | 6 | 12 | 12 | 12 | 12 | 15 | 15 | 15 | 15 | 15 |
配置FL42RBL60-2454无刷直流电机(LD=60mm) FL42RBL60-2454 DC Brushless Motor(LD=60mm)
| 减 速 比 Reduction ratio | 3.8 | 4.9 | 15 | 19 | 24 | 56 | 71 | 91 | 116 | 212 | |
| 减速级数 Number of gear trains | 1 | 1 | 2 | 2 | 2 | 3 | 3 | 3 | 3 | 4 | |
| 减速器长度(L) Length(L) | mm | 35.2 | 35.2 | 45.7 | 45.7 | 45.7 | 56 | 56 | 56 | 56 | 66.3 |
| 空载转速 No-load speed | r/min | 1414 | 1107 | 360 | 264 | 225 | 96 | 76 | 59 | 47 | 25 |
| 额定转速 Rated speed | r/min | 1099 | 861 | 280 | 221 | 175 | 75 | 59 | 46 | 36 | 20 |
| 额定转矩 Rated torque | N.m | 0.19 | 0.25 | 0.68 | 0.86 | 1.1 | 2.3 | 2.9 | 3.7 | 4.7 | 5 |
| 最大瞬间允许负载Max. permissible load in a short time | N.m | 1.5 | 1.5 | 6 | 6 | 6 | 12 | 12 | 12 | 12 | 15 |

Copyright 2023 版权所有 江苏富兴电机技术股份有限公司 苏ICP备05002292号-1