特性(Characteristic) | 参数(Parameter) | ||
编码器类型(Encoder type) | 1、光电编码器 Optical encoder 2、磁编码器 Magnetic encoder 3、旋转变压器Resolver 备注:多种分辨率可选,增量式、绝对值式可选。 Note: Multiple resolutions are available;Incremental and absolute values are available. | ||
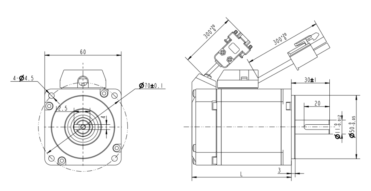
径向负载( Max radial force ) | 245N @ 20mm from the flange |
环境条件 Environmental conditions | 使用环境温度: -20℃~ +40℃; Temperature: -20℃~ +40℃ 使用环境湿度:≤90%RH(无凝露); Relative humidity: ≤90%RH(No dewing) 安装环境:远离腐蚀、可燃性气体,油滴,灰尘, 海拔≤1000m(1000~4000m,降额使用); Installation environment: Far away active gas, Combustible gas, oil drop, ash. altitude≤1000m(1000~4000m,Derating use); 存储环境:-20℃~ +60℃,≤85%RH(无凝露)。 Storage Condition: -20℃~ +60℃,≤85%RH(No dewing). |
轴向负载( Max axial force ) | 98N | ||
绝缘等级(Insulation Class) | Class B | ||
防护等级(Protection level) | IP65 | ||
类型(Model) | 单位(Unit) | FL60SV20 | FL60SV40 | ||||
额定功率(Rated power)Pn | W | 200 | 400 | ||||
额定电压(Rated voltage)U | VDC | 48 | 220 | 48 | 220 | ||
额定转速(Rated speed) nn | RPM | 3000 | 3000 | 3000 | 3000 | ||
额定转矩(Rated torque)Tn | N·m | 0.64 | 0.64 | 1.27 | 1.27 | ||
额定电流(Rated current) In | A | 6 | 1.2 | 12 | 2.4 | ||
最大转速(Maximum speed) nmax | RPM | 5000 | 6000 | 5000 | 6000 | ||
最大转矩(Maximum torque)Tm | N·m | 1.92 | 1.92 | 3.81 | 3.81 | ||
最大电流(Maximum current)Im | A | 18 | 3.6 | 36 | 7.2 | ||
电阻(Line to line resistance) RL | Ω | 0.38 | 9.35 | 0.23 | 3.46 | ||
电感(Line to line inductance) LL | mH | 0.68 | 17 | 0.3 | 7.14 | ||
反电势系数(BackEMF) Ke | V/Krpm | 6.5 | 32 | 6.5 | 32 | ||
转矩系数(Torque constant) Kt | Nm/A | 0.107 | 0.53 | 0.107 | 0.53 | ||
电气时间常数(Electrical time constant) τe | ms | 1.79 | 1.81 | 1.3 | 2.06 | ||
机械时间常数(Mechanical time constant) τm | ms | 0.85 | 21.01 | 0.52 | 12.96 | ||
转动惯量(Rotor inertia) Jm0 | Kg.cm² | 0.15 | 0.15 | 0.25 | 0.25 | ||
转动惯量带制动器(Rotor inertia with brake) Jm1 | Kg.cm² | 0.15 | 0.15 | 0.25 | 0.25 | ||
极数(Number of poles) | 10 | 10 | 10 | 10 | |||
编码器(Encoder) | 2500ppr光电编码器(增量式) 2500p/rev incremental encoder | ||||||
机身长度(Motor length) L1 | mm | 86.5 | 79.5 | 106 | 99 | ||
机身长度带制动器(Motor length with brake) L2 | mm | 123 | 116 | 142.5 | 135.5 | ||
重量 (Weight) | Kg | 0.95 | 0.9 | 1.35 | 1.3 | ||
重量带制动器(Weight with brake) | Kg | 1.35 | 1.3 | 1.85 | 1.8 | ||
序号 No. | 引出线颜色 Lead Color | 引出线型号 Lead Gauge | 功能 Function | 说明 Description |
1 | 黄色(Yellow) | Cable AWG16 | U相(Phase U) | |
2 | 红色(Red) | V相(Phase V) | ||
3 | 黑色(Black) | W相(Phase W) |
编码器接线颜色定义见图纸。
该款电机可以根据客户需求定制。
The motor can be designed &manufactured with customized request.


Copyright 2023 版权所有 江苏富兴电机技术股份有限公司 苏ICP备05002292号-1