绕组连接方式 ( Winding Type ) | 星形 ( Star connection ) |
径向负载 ( Max radial force ) | 490N @ 20mm from the flange |
轴向负载 ( Max axial force ) | 196N |
绝缘等级 (Insulation Class) | Class B |
防护等级 (Protection level) | IP65 |
使用环境温度 (Temperature) | -20℃~ +50℃ |
使用环境湿度 (Relative humidity) | ≤90%RH (无凝露)( No dewing) |
存储环境 (Storage Condition) | -20℃~ +85℃,≤85%RH (无凝露)( No dewing) |
安装环境(Installation environment) | 远离腐蚀、可燃性气体,油滴,灰尘, 海拔≤1000m Far away active gas, Combustible gas, oil drop, ash |
Pin No | 引出线型号Type | 引出线颜色Color | 功能Functions |
5 | UL1332 AWG26 | 绿色 ( Green ) | 霍尔电源正 ( Vcc ) |
1 | 黄色 ( Yellow ) | 霍尔 U ( Hu ) | |
2 | 棕色 ( Brown ) | 霍尔 V ( Hv ) | |
3 | 灰色 ( Gray ) | 霍尔 W ( Hw ) | |
4 | 蓝色 ( Blue ) | 霍尔电源负 ( GND ) | |
1 | 具体规格见图纸定义 | 黄色 ( Yellow ) | U相 ( Phase U ) |
2 | 红色 ( Red) | V相 ( Phase V ) | |
3 | 黑色 ( Black ) | W相 ( Phase W ) |
单 位 (Unit) | FL100BLG10 | FL100BLG15 | |||
极数 ( Number of poles ) | 10 | ||||
相数 ( Number of phases ) | 3 | ||||
额定电压 ( Rated voltage ) | VDC | 310 | 48 | 310 | 48 |
额定转矩 ( Rated torque) | N.m | 3.18 | 3.18 | 4.77 | 4.77 |
连续运行转矩 ( Continuous stall torque) | N.m | 3.81 | 3.81 | 5.72 | 5.72 |
额定速度 ( Rated speed ) | RPM | 3000 | 3000 | 3000 | 3000 |
额定功率 ( Rated power ) | W | 1000 | 1000 | 1500 | 1500 |
峰值转矩 ( Peak torque ) | N.m | 7 | 7 | 10.5 | 10.5 |
峰值电流 ( Peak current ) | A | 13.7 | 84.3 | 20.6 | 121 |
线电阻 ( Line to line resistance ) | ohms@20℃ | 0.82 | 0.022 | 0.54 | 0.015 |
线电感 ( Line to line inductance ) | mH | 7.4 | 0.2 | 5.2 | 0.15 |
转矩常数 ( Torque constant ) | Nm/A | 0.51 | 0.083 | 0.51 | 0.087 |
反电势 ( Back EMF ) | Vrms/KRPM | 38 | 6.18 | 38 | 6.48 |
转动惯量 ( Rotor inertia ) | kg.cm2 | 1.3 | 1.3 | 1.84 | 1.84 |
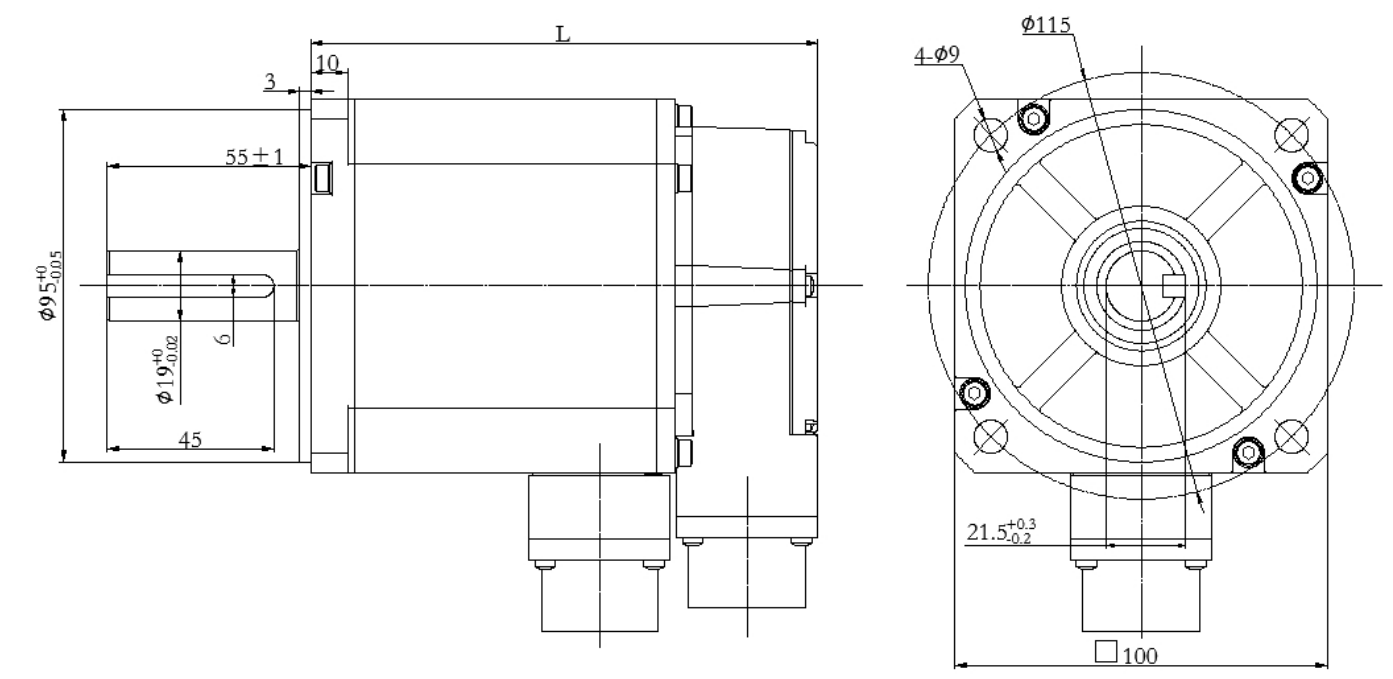
机身长度 ( Motor length ) L | mm | 137 | 142 | 159 | 164 |
重量 ( Weight ) | kg | 3.73 | 3.8 | 4.7 | 4.8 |
该款电机可以根据客户需求定制。
The motor can be designed &manufactured with customized request.

Copyright 2023 版权所有 江苏富兴电机技术股份有限公司 苏ICP备05002292号-1