BLDC Planetary Gear Motor (Ring Gear Material: Metal and Powder)
| 型号 | 范围 |
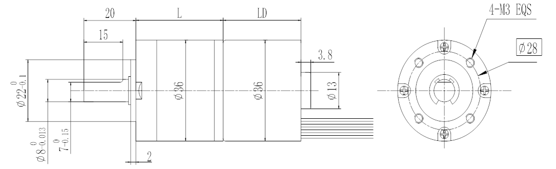
| FL36CBL/36JXF50K | Φ36行星减速器,允许转矩范围:0.5N.m~5.0N.m 36mm OD Planetary Gearbox,Permissible Load Range: 0.5N.m~5.0N.m |
| U | V | W | Vcc | Ha | Hb | Hc | GND |
| 黄Yellow | 棕Brown | 橙Orange | 红Red | 蓝Blue | 绿Green | 白White | 黑Black |
| UL1430 AWG24 | UL1430 AWG26 | ||||||
| 电机型号 | 极 数 | 相 数 | 额定电压 | 空载转速 | 额定转速 | 额定转矩 | 额定功率 | 峰值转矩 | 峰值电流 | 电 阻 | 电 感 |
| TYPE | Number of poles | Number of phase | Rated voltage | No-load speed | Rated speed | Rated torque | Rated power | Reak torque | Peak current | Line to line resistance | Line to line inductance |
| VDC | r/min | r/min | mN.m | W | mN.m | A | ohms | mH | |||
| FL36CBL50-2460 | 8 | 3 | 24 | 6000 | 4800 | 55 | 28 | 165 | 4.5 | 1.2 | 1.2 |
| FL36CBL57-2455 | 8 | 3 | 24 | 5500 | 4500 | 70 | 33 | 210 | 5.4 | 1.05 | 1 |
| FL36CBL60-2458 | 8 | 3 | 24 | 5800 | 4800 | 80 | 40 | 240 | 7 | 0.95 | 0.85 |
| FL36CBL65-2458 | 8 | 3 | 24 | 5800 | 4800 | 90 | 45 | 270 | 7.5 | 0.88 | 0.8 |
配置FL36CBL50-2460无刷电机(LD=50mm) FL36CBL50-2460 BLDC Motor(LD=50mm)
| 减 速 比 Reduction ratio | 3.71 | 5.18 | 14 | 19 | 27 | 35 | 49 | 59 | 68 | 82 | 95 | 115 | |
| 减速级数 Number of gear trains | 1 | 1 | 2 | 2 | 2 | 2 | 3 | 3 | 3 | 3 | 3 | 3 | |
| 减速器长度(L) Length(L) | mm | 29 | 29 | 38.4 | 38.4 | 38.4 | 38.4 | 45.7 | 45.7 | 45.7 | 45.7 | 45.7 | 45.7 |
| 空载转速 No-load speed | r/min | 1617 | 1158 | 429 | 316 | 222 | 171 | 122 | 102 | 88 | 73 | 63 | 52 |
| 额定转速 Rated speed | r/min | 1294 | 927 | 343 | 253 | 178 | 137 | 98 | 81 | 71 | 59 | 51 | 42 |
| 额定转矩 Rated torque | N.m | 0.18 | 0.26 | 0.62 | 0.85 | 1.2 | 1.6 | 2 | 2.4 | 2.7 | 3.3 | 3.8 | 4.6 |
| 最大瞬间允许负载Max. permissible load in a short time | N.m | 1.5 | 1.5 | 6 | 6 | 6 | 6 | 10 | 10 | 10 | 10 | 12 | 12 |
配置FL36CBL57-2455无刷电机(LD=57mm) FL36CBL57-2455 BLDC Motor(LD=57mm)
| 减 速 比 Reduction ratio | 3.71 | 5.18 | 14 | 19 | 27 | 35 | 49 | 59 | 68 | 82 | 95 | 115 | |
| 减速级数 Number of gear trains | 1 | 1 | 2 | 2 | 2 | 2 | 3 | 3 | 3 | 3 | 3 | 3 | |
| 减速器长度(L) Length(L) | mm | 29 | 29 | 38.4 | 38.4 | 38.4 | 38.4 | 45.7 | 45.7 | 45.7 | 45.7 | 45.7 | 45.7 |
| 空载转速 No-load speed | r/min | 1482 | 1062 | 393 | 289 | 204 | 157 | 112 | 93 | 81 | 67 | 58 | 48 |
| 额定转速 Rated speed | r/min | 1213 | 869 | 321 | 237 | 167 | 129 | 92 | 76 | 66 | 55 | 47 | 39 |
| 额定转矩 Rated torque | N.m | 0.23 | 0.33 | 0.79 | 1.1 | 1.5 | 2 | 2.5 | 3 | 3.5 | 4.2 | 4.9 | 5 |
| 最大瞬间允许负载Max. permissible load in a short time | N.m | 1.5 | 1.5 | 6 | 6 | 6 | 6 | 10 | 10 | 10 | 10 | 12 | 12 |
配置FL36CBL60-2458无刷电机(LD=60mm) FL36CBL60-2458BLDC Motor(LD=60mm)
| 减 速 比 Reduction ratio | 3.71 | 5.18 | 14 | 19 | 27 | 49 | 59 | 68 | 82 | 95 | 115 | |
| 减速级数 Number of gear trains | 1 | 1 | 2 | 2 | 2 | 3 | 3 | 3 | 3 | 3 | 3 | |
| 减速器长度(L) Length(L) | mm | 29 | 29 | 38.4 | 38.4 | 38.4 | 45.7 | 45.7 | 45.7 | 45.7 | 45.7 | 45.7 |
| 空载转速 No-load speed | r/min | 1563 | 1120 | 414 | 305 | 215 | 118 | 98 | 85 | 71 | 61 | 50 |
| 额定转速 Rated speed | r/min | 1294 | 927 | 343 | 253 | 178 | 98 | 81 | 71 | 59 | 51 | 42 |
| 额定转矩 Rated torque | N.m | 0.27 | 0.37 | 0.91 | 1.2 | 1.8 | 2.9 | 3.5 | 4 | 4.8 | 5 | 5 |
| 最大瞬间允许负载Max. permissible load in a short time | N.m | 1.5 | 1.5 | 6 | 6 | 6 | 10 | 10 | 10 | 10 | 12 | 12 |
配置FL36CBL65-2458无刷电机(LD=65mm) FL36CBL65-2458 BLDC Motor(LD=65mm)
| 减 速 比 Reduction ratio | 3.71 | 5.18 | 14 | 19 | 27 | 49 | 59 | 68 | 82 | 95 | 115 | |
| 减速级数 Number of gear trains | 1 | 1 | 2 | 2 | 2 | 3 | 3 | 3 | 3 | 3 | 3 | |
| 减速器长度(L) Length(L) | mm | 29 | 29 | 38.4 | 38.4 | 38.4 | 45.7 | 45.7 | 45.7 | 45.7 | 45.7 | 45.7 |
| 空载转速 No-load speed | r/min | 1563 | 1120 | 414 | 305 | 215 | 118 | 98 | 85 | 71 | 61 | 50 |
| 额定转速 Rated speed | r/min | 1294 | 927 | 343 | 253 | 178 | 98 | 81 | 71 | 59 | 51 | 42 |
| 额定转矩 Rated torque | N.m | 0.3 | 0.42 | 1 | 1.4 | 2 | 3.2 | 3.9 | 4.5 | 5 | 5 | 5 |
| 最大瞬间允许负载Max. permissible load in a short time | N.m | 1.5 | 1.5 | 6 | 6 | 6 | 10 | 10 | 10 | 10 | 12 | 12 |

Copyright 2023 版权所有 江苏富兴电机技术股份有限公司 苏ICP备05002292号-1