Ratio 减速比 | 3.6 | 7.2 | 9 | 10 | 18 | 36 |
Weight 重量 | 0.1kg | 0.125kg | 0.15kg | |||
Number of gear trains 减速级数 | 2 | 3 | 4 | |||
Nominal torque 额定转矩 | 2.5N.m | |||||
Ultimate torque 极限转矩 | 3.0N.m | |||||
Efficiency 效率 | 81% | 72% | 65% | |||
Backlash 回差 | 0.6 deg | 0.4deg | ||||
Ratio 减速比 | 3.6 | 7.2 | 9 | 10 | 18 | 36 | |
FL42STH33-42JB | Torque(N.m) (at 300rpm) 转矩(N.m) (在 300rpm) | 0.5 | 1.1 | 1.3 | 1.45 | 2.3 | - |
speed(rpm)转速(rpm) | 83 | 41.5 | 33 | 30 | 16.5 | - | |
FL42STH38-42JB | Torque(N.m) (at 300rpm) 转矩(N.m) (在 300rpm) | 0.73 | 1.45 | 1.8 | 2.0 | --- | --- |
speed(rpm)转速(rpm) | 83 | 41 | 33 | 30 | --- | --- | |
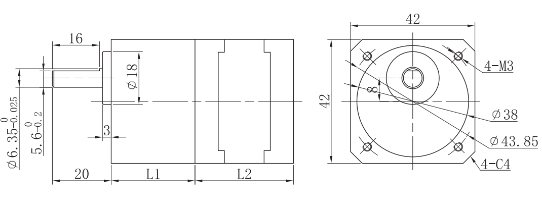
RATIO 减速比 | L2(mm) | L1(mm) | |
FL42STH33-42JB | FL42STH38-42JB | ||
3.6---36 | 33.5 | 39.5 | 28.5 |
该款电机可以根据客户需求定制。
The motor can be designed &manufactured with customized request.


Copyright 2023 版权所有 江苏富兴电机技术股份有限公司 苏ICP备05002292号-1