项目(Item) | 说明(Specifications) |
步距角(Step Angle) | 1.8° |
步距角精度(Step Angle Accuracy) | ±5% (整步无负载,full step, no load) |
径向间隙( Radial Play) | 0.02mm@450 g |
轴向间隙( Axial Play) | 0.08mm@450 g |
最大径向负载(Max. radial force) | 75N 距法兰20mm (20mm from the flange) |
最大轴向负载(Max. axial force) | 15N |
介电强度(Dielectric Strength) | 600VAC / 1s |
绝缘电阻(Insulation Resistance) | 100MΩ ,500VDC |
环境温度(Ambient Temperature) | -20℃~+50℃ |
绝缘等级(Insulation Class) | Class B |
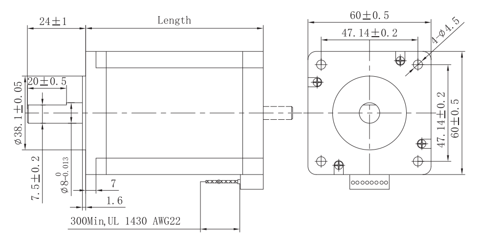
型号(Model No.) | Current /Phase 每相 电流 | Resistance /Phase 每相 电阻 | Inductance /Phase 每相 电感 | Holding Torque 保持 转矩 | Detent Torque 定位 转矩 | # of Leads 引出线数 | Rotor Inertia 转动惯量 | Weight 重量 | Length 机身 长度 | |
单轴(Single shaft) | A | Ω | mH | N.m | N.m | # | g-cm2 | kg | mm | |
FL60STH45-2008AF | 单极性(unipolar) | 2 | 1.5 | 2 | 0.78 | 0.05 | 8 | 275 | 0.6 | 47±1 |
并联(parallel) | 2.8 | 0.75 | 2 | 1.1 | ||||||
串联(series) | 1.4 | 3.0 | 8 | 1.1 | ||||||
FL60STH56-2008AF | 单极性(unipolar) | 2 | 1.8 | 3.6 | 1.17 | 0.07 | 8 | 400 | 0.77 | 56±1 |
并联(parallel) | 2.8 | 0.9 | 3.6 | 1.65 | ||||||
串联(series) | 1.4 | 3.6 | 14.4 | 1.65 | ||||||
FL60STH65-2008AF | 单极性(unipolar) | 2 | 2.4 | 4.6 | 1.5 | 0.09 | 8 | 570 | 1.2 | 67±1 |
并联(parallel) | 2.8 | 1.2 | 4.6 | 2.1 | ||||||
串联(series) | 1.4 | 4.8 | 18.4 | 2.1 | ||||||
FL60STH86-2008AF | 单极性(unipolar) | 2 | 3 | 6.8 | 2.1 | 0.12 | 8 | 840 | 1.4 | 88±1 |
并联(parallel) | 2.8 | 1.5 | 6.8 | 3.0 | ||||||
串联(series) | 1.4 | 6 | 27.2 | 3.0 |
该款电机可以根据客户需求定制。
The motor can be designed &manufactured with customized request.



Copyright 2023 Copyright Jiangsu Fulling Motor Technology Co., Ltd.