| 特性(Characteristic) | 参数(Parameter) | ||
编码器类型 (Encoder type) | 1、光电编码器 Optical encoder 2、磁编码器 Magnetic encoder 3、旋转变压器Resolver 备注:多种分辨率可选,增量式、绝对值式可选。 Note: Multiple resolutions are available;Incremental and absolute values are available. | ||
径向负载 (Max radial force ) | 115N@20mm from the flange |
环境条件 Environmental conditions | 使用环境温度: -20℃~ +40℃; Temperature: -20℃~ +40℃ 使用环境湿度:≤90%RH(无凝露); Relative humidity: ≤90%RH(No dewing) 安装环境:远离腐蚀、可燃性气体,油滴,灰尘, 海拔≤1000m(1000~4000m,降额使用); Installation environment: Far away active gas, Combustible gas, oil drop, ash. altitude≤1000m(1000~4000m,Derating use); 存储环境:-20℃~ +60℃,≤85%RH(无凝露)。 Storage Condition: -20℃~ +60℃,≤85%RH(No dewing). |
轴向负载 (Max axial force ) | 45N | ||
绝缘等级 (Insulation Class) | B | ||
防护等级 (Protection level) | IP30 | ||
单位(Unit) | FL57SVA02 | FL57SVA03 | FL57SVA04 | |
额定电压(Rated voltage) | VDC | 36 | 36 | 36 |
额定转速(Rated speed) | RPM | 3000 | 3000 | 3000 |
额定转矩(Rated torque) | N·m | 0.3 | 0.45 | 0.6 |
额定电流(Rated current) | A | 94 | 141 | 188 |
空载转速(no load speed) | RPM | 4400 | 4400 | 4400 |
峰值转矩(Peak torque) | N·m | 0.9 | 1.35 | 1.8 |
峰值电流(Peak current) | A | 12.6 | 16.2 | 22.5 |
电阻(Line to line resistance) | Ω | 1.2 | 0.8 | 0.5 |
电感(Line to line inductance) | mH | 1.2 | 0.8 | 0.6 |
反电势系数(Back EMF) | V/Krpm | 5.6 | 5.6 | 5.7 |
转矩系数(Torque constant) | Nm/A | 0.075 | 0.075 | 0.08 |
极数(Number of poles) | 8 | |||
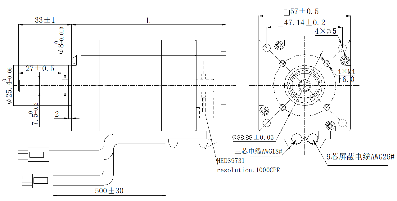
编码器(Encoder) | CPR | 1000 | ||
转动惯量(Rotor inertia) | g.cm2 | 210 | 320 | 430 |
机身长度 (Motor length) L | mm | 76 | 96 | 116 |
重量(Weight) | Kg | 0.8 | 1.0 | 1.2 |
序号 No. | 引出线颜色 Lead Color | 引出线型号 Lead Gauge | 功能 Function | 说明 Description |
1 | 红白色(Red/White) |
Cable AWG26 | GND | Signal Power negative |
2 | 红色( Red) | VCC:+5VDC | Signal Power positive | |
3 | 蓝色(Blue) | EA- | Two-channel differential signal (Three-channel differential signal can be provided). | |
4 | 蓝黑色(Blue/Black) | EA+ | ||
5 | 黑色(Black) | EB- | ||
6 | 黑白色(Black/White) | EB+ | ||
7 | 棕色(Brown) | 霍尔HALL A | ||
8 | 橙色(Orange) | 霍尔HALL B | ||
9 | 黄色(Yellow) | 霍尔HALL C | ||
1 | 黄色(Yellow) | Cable AWG18 | U相(Phase U) | |
2 | 红色(Red) | V相(Phase V) | ||
3 | 黑色(Black) | W相(Phase W) |
该款电机可以根据客户需求定制。
The motor can be designed &manufactured with customized request.


Copyright 2023 Copyright Jiangsu Fulling Motor Technology Co., Ltd.