项目(Items) | FL115HSV25 | FL115HSV50 | 公差(Tolerance) |
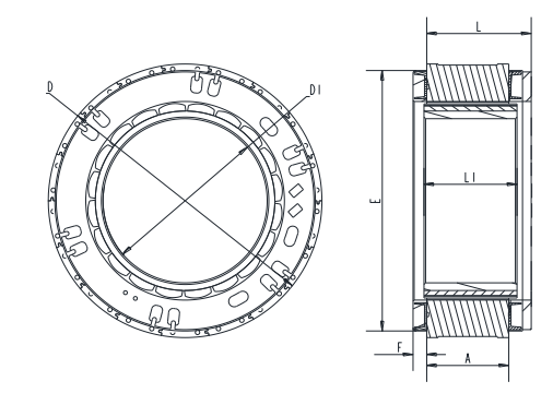
定子外径D | 115mm | 115mm | ±0.043(js9) |
定子长度L | 31.8mm | 56.6mm | ±1 |
转子内径D1 | 74mm | 74mm | 0.046(H8) |
转子长度L1 | 32.7mm | 57.7mm | ±0.25 |
灌胶面外圆E | 112mm | 112mm | ±0.2 |
灌胶面高度F | 5.5mm | 5.5mm | 0.5 |
铁芯高度 A | 25mm | 50mm | / |
特性概要 ( General Specifications )
绕组连接方式 ( Winding Type ) | 星形 ( Star connection) |
介电强度 ( Dielectric Strength ) | 1000VAC/1S |
绝缘电阻 ( Insulation Resistance ) | 100MΩ, 500VDC |
环境温度 ( Ambient Temperature ) | -20°C ~ +50°C |
绝缘等级 (Insulation Class) | Class B |
接线说明(Electric Connection)
引出线颜色 Color | 引出线型号 Type | 功能 Functions |
白色 (WHT) | UL1332 AWG26 | NTC |
白色 (WHT) | NTC | |
黄色 ( Yellow ) | UL1332 AWG16 | U相 ( Phase U ) |
红色 ( Red ) | V相 ( Phase V ) | |
黑色 ( Black) | W相 ( Phase W ) |
电性能 (Electrical Specifications)
单 位 (Unit) | FL115HSV25-48V-14570-T-2 | FL115HSV50-48V-06620-T-2 | |
极数 ( Number of poles ) | 20 | 20 | |
相数 ( Number of phases ) | 3 | 3 | |
额定电压 ( Rated voltage ) | VDC | 48 | 48 |
额定转矩 ( Rated torque) | N.m | 3.9 | 7.8 |
额定电流(Rated current) | A | 14.1 | 13.0 |
额定速度 ( Rated speed ) | RPM | 1400 | 620 |
额定功率 ( Rated power ) | W | 571 | 617 |
最大转速(Maximum speed) | RPM | 1900 | 900 |
峰值转矩 ( Peak torque ) | N.m | 11.7 | 23.4 |
峰值电流 ( Peak current ) | A | 42.3 | 39.0 |
线电阻 ( Line to line resistance ) | ohms@20℃ | 0.2 | 0.35 |
线电感 ( Line to line inductance ) | mH | 0.5 | 1.6 |
转矩常数 ( Torque constant ) | Nm/A | 0.293 | 0.662 |
反电势 ( Back EMF ) | Vrms/KRPM | 17.7 | 40 |
重量 ( Weight ) | g | 1100 | 2200 |
电气时间常数(Electrical time constant) | ms | 2.5 | 4.57 |
根据要求,该款电机可以设计和制造成定制的类型。
The motor can be designed &manufactured with customized request.

Copyright 2023 Copyright Jiangsu Fulling Motor Technology Co., Ltd.